Overview
Product Details
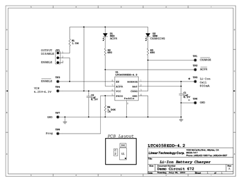
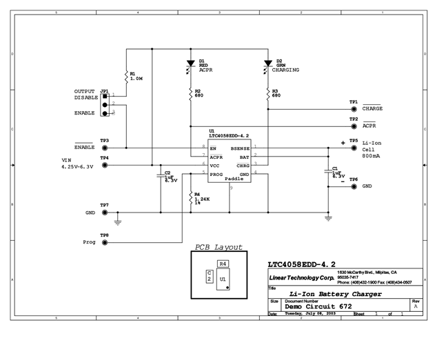
DC672A: Demo Board for the LTC4058-4.2 Standalone Linear Li-Ion Battery Chargers with Thermal Regulation in DFN.
Applicable Parts
Documentation & Resources
-
DC672A - Schematic9/24/2009PDF45K
-
DC672A - Demo Manual9/24/2009PDF186K
-
DC672A - Design File9/24/2009ZIP508K
