Overview
Product Details
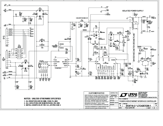
DC671A: Demo Board for the LTC4257-1 IEEE 802.3af PD Power over Ethernet Interface Controller with Dual Current Limit.
Applicable Parts
Documentation & Resources
-
DC671A - Schematic9/24/2009PDF94K
-
DC671A - Demo Manual9/24/2009PDF408K
-
DC671A - Design File9/24/2009ZIP987K




