Overview
Product Details
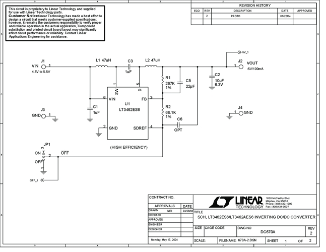
DC670A: Demo Board for the LT3462 Inverting 1.2MHz/2.7MHz DC/DC Converters with Integrated Schottky in ThinSOT.
Applicable Parts
Documentation & Resources
-
DC670A - Schematic9/24/2009PDF61K
-
DC670A - Demo Manual9/24/2009PDF294K
-
DC670A - Design File9/24/2009ZIP802K
