Overview
Product Details
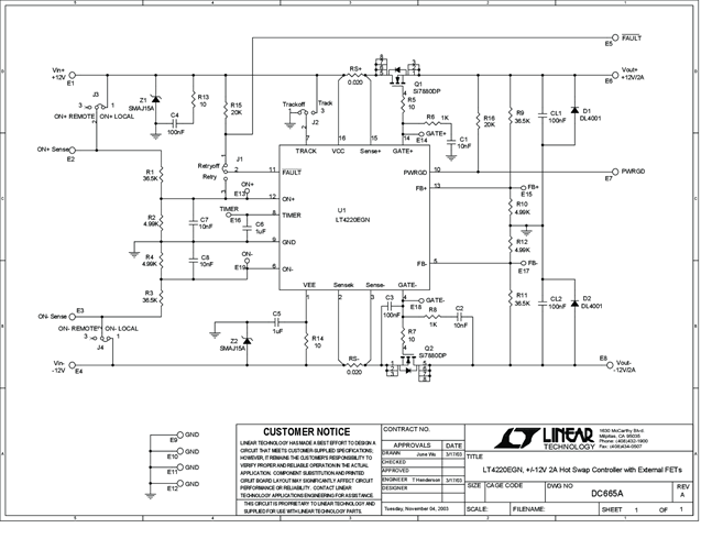
DC665A: Demo Board for the LT4220 Dual Supply Hot Swap Controller.
Applicable Parts
Documentation & Resources
-
Hot Swap Controllers8/2/2023PDF0 M
-
DC665A - Schematic9/24/2009PDF60K
-
DC665A - Demo Manual9/24/2009PDF142K
-
DC665A - Design File9/24/2009ZIP335K
