Overview
Product Details
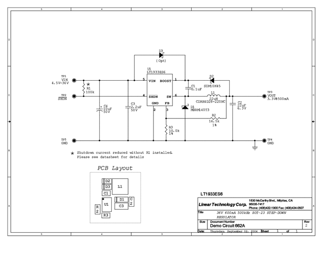
Demonstration circuit 662 is a monolithic step-down DC/DC switching converter featuring the LT1933 in the TSOT-23-6 package. The board is optimized for 3.3V output at up to 500mA load current and requires an input voltage ranging from 4.5V to 36V.
Applicable Parts
Documentation & Resources
-
DC662A - Schematic9/24/2009PDF49K
-
DC662A - Demo Manual9/24/2009PDF178K
-
DC662A - Design File9/24/2009ZIP537K
