Overview
Product Details
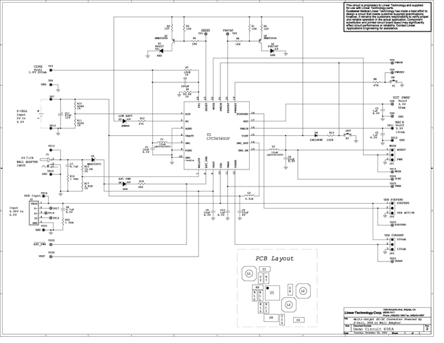
Demonstration Circuit 658 is a complete power management system using the LTC3456 for portable applications powered by a wall adapter, a USB port or a 2-cell alkaline battery, in that order of priority. DC658 provides three outputs: a 1.8V, 200mA core supply, a 3.3V, 150mA main supply, and a 3.3V, 50mA Hot Swap supply. All outputs are discharged to ground during shutdown. The synchronous buck (1.8V output) and the second converter (which operates as a buck or a boost depending on the power source, and provides 3.3V @ 150mA and 3.3V @ 50mA outputs) accept a 2V to 3.2V battery input or USB/Wall adapter input.
Applicable Parts
Documentation & Resources
- 
                                                                
                                                                    
                                                                                                                                            DC658A - Schematic9/24/2009PDF144K
- 
                                                                
                                                                    
                                                                                                                                            DC658A - Demo Manual9/24/2009PDF219K
- 
                                                                
                                                                    
                                                                                                                                            DC658A - Design File9/24/2009ZIP1M
 
                             
                         
                         
                                                