Overview
Product Details
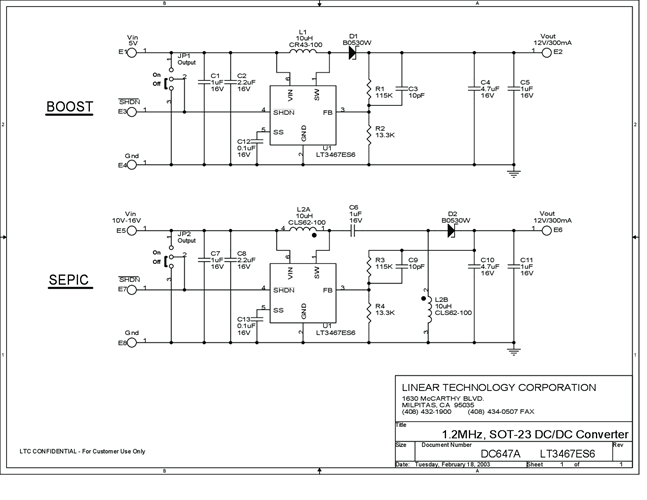
Demonstration circuit 647 is a 1.2MHz, SOT-23 DC/DC Converter featuring the LT3467. The demo board demonstrates two separate DC/DC converters for different application needs. The Boost Circuit is designed to convert a 5V input to 12V output at 300mA maximum load. The SEPIC Circuit generates a constant 12V/300mA output with 10V~16V variable input. Both circuits are designed to demonstrate the soft start feature, advantages of the 1.2MHz switching frequency, the internal 42V/1.1A switch, wide input voltage range and small circuit size.
Applicable Parts
Documentation & Resources
-
DC647A - Schematic9/24/2009PDF45K
-
DC647A - Demo Manual9/24/2009PDF175K
-
DC647A - Design File9/24/2009ZIP1M



