Overview
Product Details
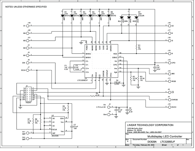
DC629A: Demo Board for the LTC3205 Multi-Display LED Controller.
Applicable Parts
Documentation & Resources
-
DC629A - Schematic9/24/2009PDF40K
-
DC629A - Demo Manual9/24/2009PDF1M
-
DC629A - Design File9/24/2009ZIP413K
