Overview
Product Details
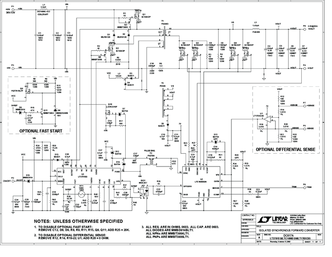
DC617A Demo Board for:
LT1783 1.25MHz, Over-The-Top Micropower, Rail-to-Rail Input and Output Op Amp in SOT-23
LTC1698 Isolated Secondary Synchronous Rectifier Controller
LT3781 Bootstrap Start Dual Transistor Synchronous Forward Controller
Documentation & Resources
-
DC617A - Schematic9/24/2009PDF105K
-
DC617A - Demo Manual9/24/2009PDF304K
-
DC617A - Design File9/24/2009ZIP916K
