Overview
Product Details
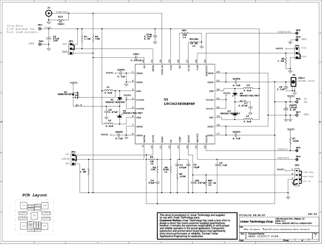
Demonstration Circuit 616 is a synchronous, 4-phase boost converter using the LTC3425. It is capable of operating below 1V input. DC616A is set for 3.3V output. DC616B is set for 5V output. On each demo board, the left circuit gives higher efficiency and current rating; while the right circuit has smaller size and lower cost. The switching frequency is set at 1MHz per phase, minimizing inductor and capacitor size. A single resistor at RT pin sets the frequency. If desired, the LTC3425 can be synchronized to an external clock.
Applicable Parts
Documentation & Resources
- 
                                                                
                                                                    
                                                                                                                                            DC616B - Schematic8/12/2013PDF69K
- 
                                                                
                                                                    
                                                                                                                                            DC616AB - Demo Manual8/12/2013PDF761K
- 
                                                                
                                                                    
                                                                                                                                            DC616B - Design Files8/15/2013ZIP927K
 
                             
                         
                         
                                                