Overview
Product Details
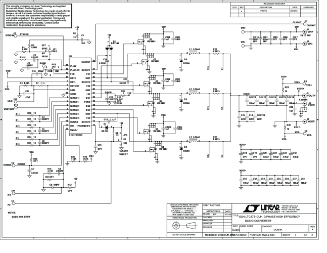
Demonstration circuit 558 is a high current step-down PolyPhaseTM converter featuring the LTC3731 three phase synchronous buck controller. The demo circuit input voltage is from 5V to 14V and output is 1.5V/60A.
Applicable Parts
Documentation & Resources
-
DC558A - Schematic9/24/2009PDF164K
-
DC558A - Demo Manual9/24/2009PDF142K
-
DC558A - Design File9/24/2009ZIP1M
