Overview
Product Details
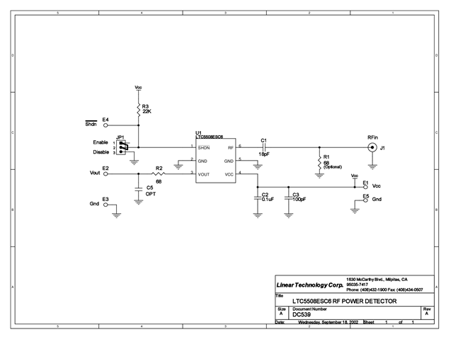
DC539A: Demo Board for the LTC5508 300MHz to 7GHz RF Power Detector with Buffered Output in SC70 Package.
Applicable Parts
Documentation & Resources
-
DC539A - Schematic9/24/2009PDF40K
-
DC539A - Demo Manual10/8/2014PDF84K
-
DC539A - Design File9/24/2009ZIP535K





