Overview
Product Details
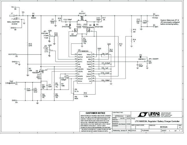
DC532A: Demo Board for the LTC1980 Combination Battery Charger and DC/DC Converter.
Applicable Parts
Documentation & Resources
- 
                                                                
                                                                    
                                                                                                                                            DC532A - Schematic9/24/2009PDF75K
- 
                                                                
                                                                    
                                                                                                                                            DC532A - Demo Manual9/24/2009PDF801K
- 
                                                                
                                                                    
                                                                                                                                            DC532A - Design File9/24/2009ZIP544K
 
                             
                         
                         
                                                