Overview
Product Details
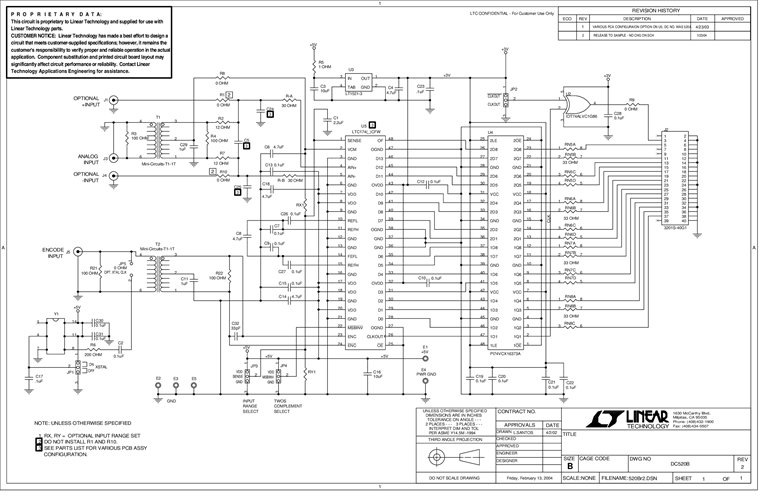
DC520B-B: Demo Board for the LTC1748 14-Bit, 80Msps Low Noise ADC.
Applicable Parts
Documentation & Resources
-
DC520B - Schematic1/3/2012PDF40K
-
DC520B - Demo Manual9/24/2009PDF479K
-
DC520B - Design File9/24/2009ZIP1M
