Overview
Product Details
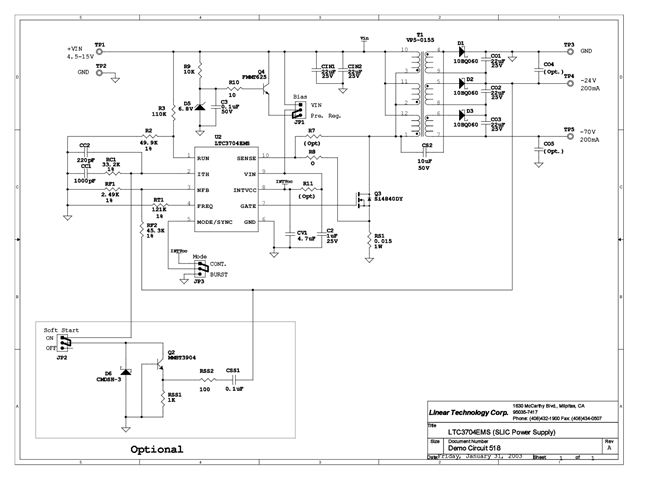
Demonstration circuit 518 is a SLIC (Subscriber Line Interface Circuit) positive input to negative output converter featuring the LTC3704 switching controller. DC518 converts 4.5V to 15V input to –24V at 200mA and –70V at 200mA at its output. The demo board uses a transformer with the three primary side widings in parallel to generate three –24V outputs. By stacking the voltages on top of each other, –70V ±10% is obtained. The demo board operates at 200kHz with high efficiency of up to 92%.
Applicable Parts
Documentation & Resources
-
DC518A - Schematic9/24/2009PDF108K
-
DC518A - Demo Manual9/24/2009PDF244K
-
DC518A - Design File9/24/2009ZIP941K
