Overview
Product Details
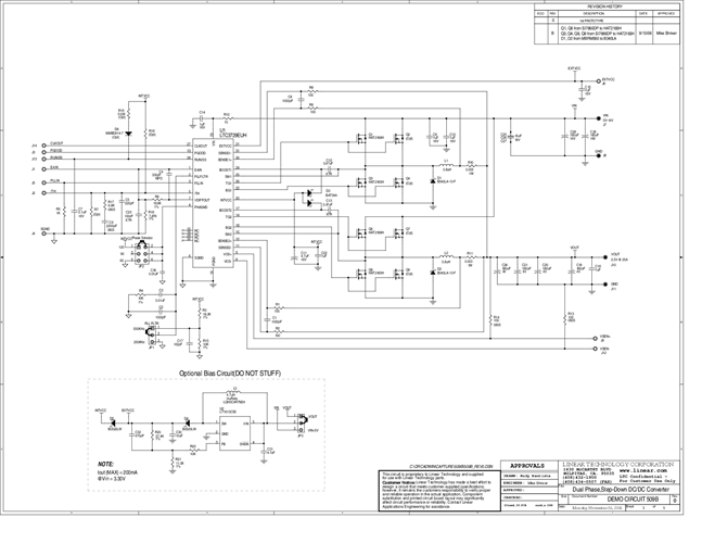
Demonstration circuit 509 is a single output step down converter featuring the LTC3729EUH. The LTC3729EUH is a dual phase controller with a frequency range of 250kHz to 550kHz in a 32 lead 5mm × 5mm QFN package. The QFN package has an exposed bottom pad that is soldered to the PCB and provides the LTC3729EUH with low thermal impedance. The input voltage range of the DC509 is 5V to 14V and the output voltage is 2.5V with a load rating of 25A.
Applicable Parts
Documentation & Resources
-
DC509B - Schematic9/24/2009PDF72K
-
DC509B - Demo Manual9/24/2009PDF591K
-
DC509B - Design File9/24/2009ZIP1M
