Overview
Product Details
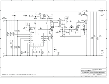
DC508A: Demo Board for the LT1725 General Purpose Isolated Flyback Controller.
Applicable Parts
Documentation & Resources
-
DC508A - Schematic9/24/2009PDF73K
-
DC508A - Demo Manual9/24/2009PDF277K
-
DC508A - Design File9/24/2009ZIP740K
