Overview
Product Details
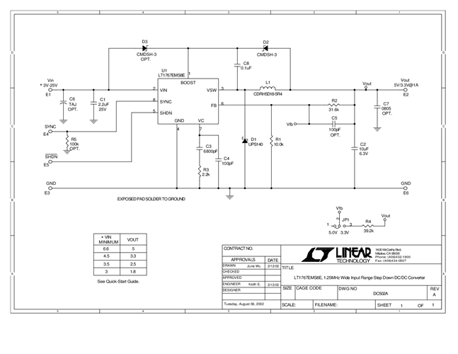
DC502A: Demo Board for the LT1767 Monolithic 1.5A, 1.25MHz Step-Down Switching Regulators.
Applicable Parts
Documentation & Resources
-
DC502A - Schematic9/24/2009PDF18K
-
DC502A - Demo Manual9/24/2009PDF235K
-
DC502A - Design File9/24/2009ZIP605K
