Overview
Product Details
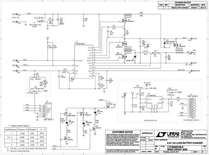
Demonstration circuit 495 is a single battery standalone battery charge controller with built in charge termination featuring the LTC4006. The input voltage is 9 to 20V. The charger output voltage is fixed for a 2-cell 8.4V Li-ion battery. The maximum charge current is 2A. The board will automatically charge a battery to termination as soon as input power is applied with a battery connected prior to power up. Status LEDs are provided for CHG, ACP, and C/10. An on-board NTC thermistor is provided. Although this charger is not a smart battery charger, a popular smart battery connector is provided that can be used for data logging with the OPTIONAL DC1223A-B Demo board and software. To be clear, you do NOT need a smart battery to use this board. The optional DC1223A-B SMBUS-to-USB port adapter and associated software to monitor a smart battery are for demonstration purposes only. Contact your LT representative for ordering a DC1223A-B.
Applicable Parts
Documentation & Resources
-
DC495B - Schematic6/6/2014PDF39K
-
DC495B - Demo Manual6/6/2014PDF126K
-
DC495B - Design Files6/6/2014ZIP1M
