Overview
Product Details
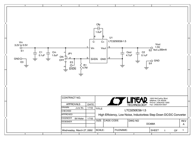
Demonstration circuit 488 is a high efficiency, inductorless step-down converter featuring the LTC3250-1.5. The circuit produces a fixed 1.5V output from a 3.1V to 5.5V input.
Applicable Parts
Documentation & Resources
-
DC488A - Schematic9/24/2009PDF11K
-
DC488A - Demo Manual9/24/2009PDF434K
-
DC488A - Design File9/24/2009ZIP257K
