Overview
Product Details
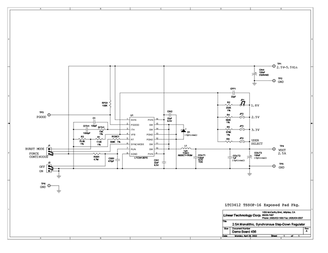
DC456A: Demo Board for LTC3412 2.5A, 4MHz, Monolithic Synchronous Step-Down Regulator.
Applicable Parts
Documentation & Resources
-
DC456A - Schematic9/24/2009PDF79K
-
DC456A - Demo Manual9/24/2009PDF60K
-
DC456A - Design File9/24/2009ZIP374K
