Overview
Product Details
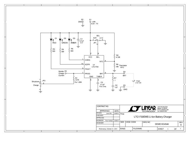
DC454A: Demo Board for LTC1733 Monolithic Linear Lithium-Ion Battery Charger with Thermal Regulation.
Applicable Parts
Documentation & Resources
-
DC454A - Schematic9/24/2009PDF13K
-
DC454A - Demo Manual9/24/2009PDF402K
-
DC454A - Design File9/24/2009ZIP1M
