Overview
Product Details
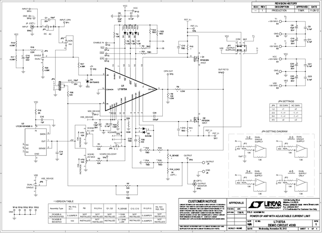
DC453B-A: Demo Board for LT1970A 500mA Power Op Amp with Adjustable Precision Current Limit.
Applicable Parts
Documentation & Resources
-
DC453B - Schematic3/27/2013PDF73K
-
DC453B - Demo Manual3/27/2013PDF245K
-
DC453B - Design Files3/27/2013ZIP1M
