Overview
Product Details
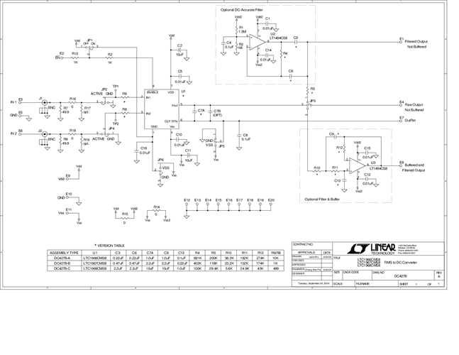
DC427B-A: Demo Board for the LTC1966 Precision Micropower, Delta Sigma RMS-to-DC Converter.
Applicable Parts
Documentation & Resources
-
DC427B - Schematic9/24/2009PDF26K
-
DC427B - Demo Manual9/24/2009PDF153K
-
DC427B - Design File9/24/2009ZIP669K




