Overview
Product Details
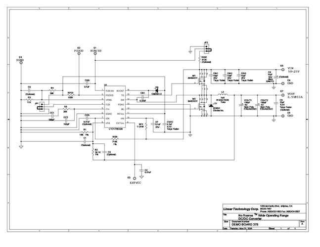
Demonstration circuit DC378 is a synchronous step-down buck regulator using the LTC1778 No RSENSE switching regulator controller. The controller uses a valley current control architecture to deliver very low duty cycles without requiring a sense resistor. The demo board operates with a 5V to 25V supply voltage and provides a 2.5V@10A output.
Applicable Parts
Documentation & Resources
-
DC378A - Schematic9/24/2009PDF132K
-
DC378A - Demo Manual8/3/2012PDF197K
-
DC378A - Design File9/24/2009ZIP683K
