Overview
Product Details
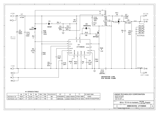
DC373A-A: Demo Board for the LT1725 General Purpose Isolated Flyback Controller.
Applicable Parts
Documentation & Resources
-
DC373A - Schematic9/24/2009PDF27K
-
DC37*A - Demo Manual3/19/2010PDF226K
-
DC373A - Design File9/24/2009ZIP731K
