Overview
Product Details
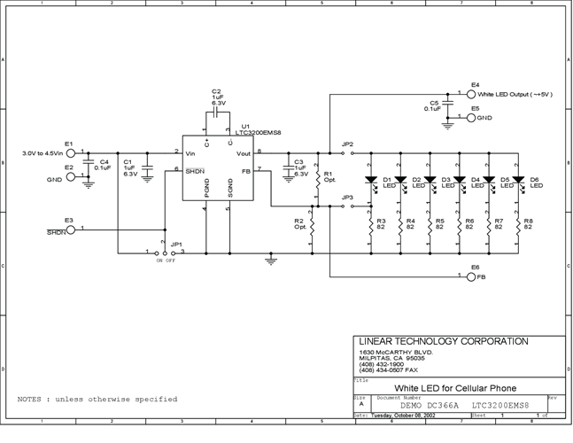
Demonstration Circuit 366A is a low noise constant frequency regulated charge pump featuring the 100mA output current LTC3200. The demo board accepts a 2.7V to 4.5V input voltage and drives six white LEDs in parallel, resulting in 16.6mA per LED. Ballast resistors are employed to provide more uniform light intensity fromr the paralleled LEDs.
Applicable Parts
Documentation & Resources
-
DC366A - Schematic9/24/2009PDF58K
-
DC366A - Demo Manual9/24/2009PDF120K
-
DC366A - Design File9/24/2009ZIP561K
