Overview
Product Details
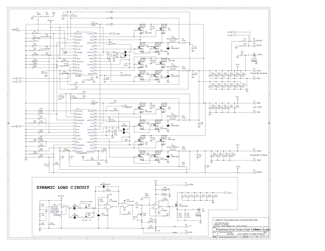
DC352A Demo Board for:
LTC1629 PolyPhase, High Efficiency, Synchronous Step-Down Switching Regulator
LTC1628-SYNC High Efficiency, 2-Phase Synchronous Step-Down Switching Regulator
Applicable Parts
Documentation & Resources
-
DC352A - Schematic9/24/2009PDF92K
-
DC352A - Demo Manual9/24/2009PDF107K
-
DC352A - Design File9/24/2009ZIP2M
