Overview
Product Details
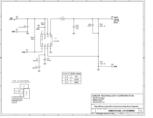
DC348A: Demo Board for the LTC1878 High Efficiency Monolithic Synchronous Step-Down Regulator.
Applicable Parts
Documentation & Resources
-
DC348A - Schematic9/24/2009PDF82K
-
DC348A - Demo Manual9/24/2009PDF188K
-
DC348A - Design File9/24/2009ZIP338K
