Overview
Product Details
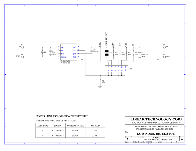
Demonstration circuit DC339-A is a low noise micropower voltage regulator using the 150mA output current LT1762 linear regulator in an 8-lead MSOP package. The demo board has an input voltage range from 2.3V to 20V and a jumper-selectable output votlage that can be set to 1.22V, 2.5V, 3.0V, 3.3V, 5V or a user-defined value. The LT1762's low 20µVRMS (10Hz to 100kHz bandwidth) output noise and low 30µA quiescent current make the device ideal for voltage-controlled oscillators, RF power supplies and local regulators in larger systems.
Markets and Technologies
Applicable Parts
Documentation & Resources
-
DC339A - Schematic9/24/2009PDF12K
-
DC339A - Demo Manual9/24/2009PDF196K
-
DC339A - Design File9/24/2009ZIP243K
