Overview
Product Details
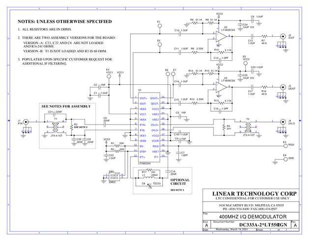
DC333A-B: Demo Board for the LT5502 400MHz Quadrature IF Demodulator with RSSI.
Applicable Parts
Documentation & Resources
-
DC333A - Schematic9/24/2009PDF28K
-
DC333A - Demo Manual9/24/2009PDF159K
-
DC333A - Design File9/24/2009ZIP837K
