Overview
Product Details
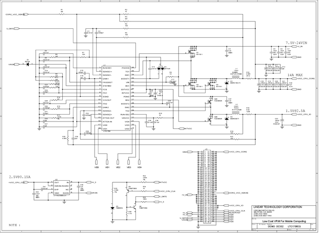
DC302A: Demo Board for LTC1708-PG Dual Adjustable 5-Bit VID High Efficiency, 2-Phase Current Mode Synchronous Buck DC/DC Regulator Controller.
Applicable Parts
Documentation & Resources
-
DC302A - Schematic9/24/2009PDF80K
-
DC302A - Demo Manual9/24/2009PDF44K
-
DC302A - Design File9/24/2009ZIP821K
