Documentation & Resources
-
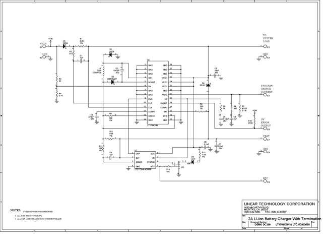
DC299A - Schematic9/24/2009PDF85K
-
DC299A - Demo Manual9/24/2009PDF71K
-
DC299A - Design File9/24/2009ZIP470K
