Overview
Product Details
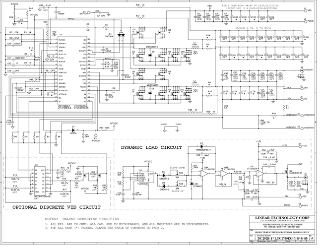
DC292B-C: Demo Board for the LTC1709-9 2-Phase, 5-Bit VID, Current Mode, High Efficiency, Synchronous Step-Down Switching Regulators.
Applicable Parts
Documentation & Resources
-
DC292A - Schematic9/24/2009PDF164K
-
DC292A - Demo Manual9/24/2009PDF171K
-
DC292A - Design File9/24/2009ZIP829K
