Overview
Product Details
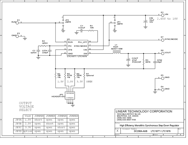
DC290A-B: Demo Board for the LTC1878 High Efficiency Monolithic Synchronous Step-Down Regulator.
Applicable Parts
Documentation & Resources
-
DC290A - Schematic9/24/2009PDF58K
-
DC290A - Demo Manual9/24/2009PDF218K
-
DC290A - Design File9/24/2009ZIP184K
