Overview
Product Details
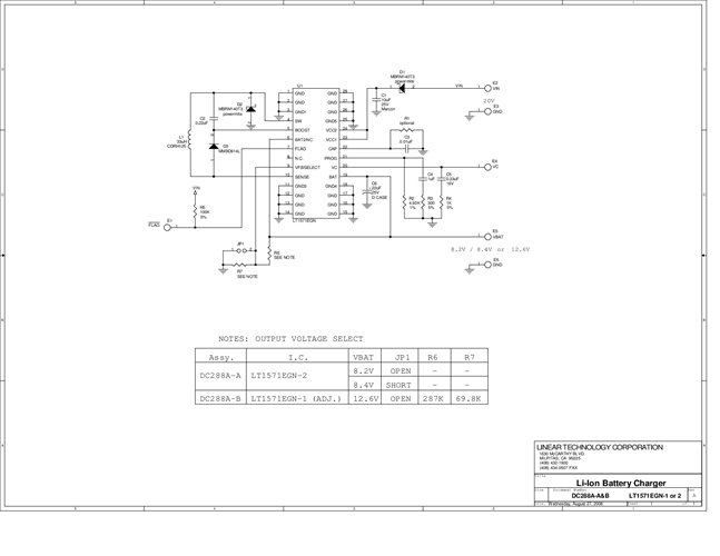
DC288A-B: Demo Board for the LT1571 Constant-Current/Constant-Voltage Battery Charger with Preset Voltage and Termination Flag.
Applicable Parts
Documentation & Resources
-
DC288A - Schematic9/24/2009PDF25K
-
DC288A - Design File9/24/2009ZIP500K
