Overview
Product Details
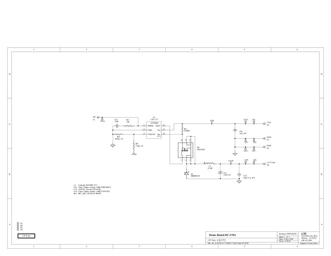
DC270A: Demo Board for the LTC1772 Constant Frequency Current Mode Step-Down DC/DC Controller in SOT-23.
Applicable Parts
Documentation & Resources
-
DC270A - Schematic9/24/2009PDF17K
-
DC270A - Demo Manual9/24/2009PDF189K
-
DC270A - Design File9/24/2009ZIP48K
