Overview
Product Details
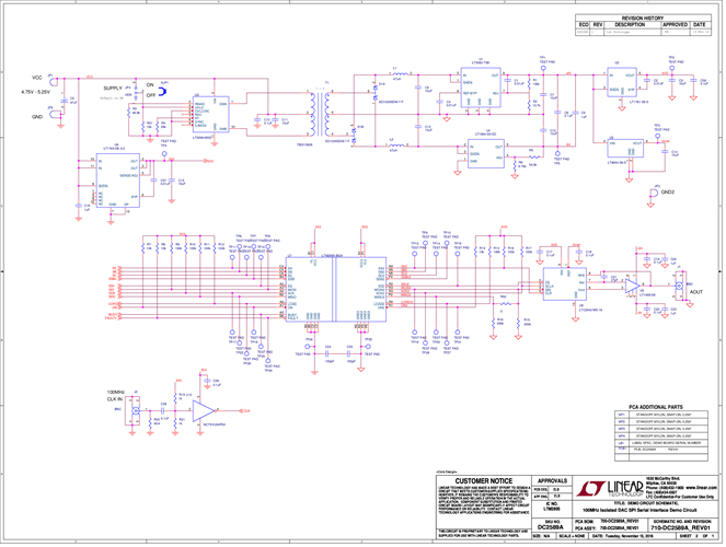
Demonstration circuit DC2589A shows an LTM2895 isolating and interfacing an LTC2642-16. The LTM2895 is a high speed SPI isolator for interfacing DACs with a full complement of control signals. The LTC2642-16 is a bipolar 16-bit unbuffered voltage output DAC. Low noise isolated power is delivered to the isolated side with a LT3999 push pull driver and isolation transformer.
Markets and Technologies
Applicable Parts
Documentation & Resources
-
DC2589A - Schematic5/3/2017PDF68K
-
DC2589A - Demo Manual5/3/2017PDF2M
-
DC2589A - Design Files5/3/2017ZIP9M
