Overview
Product Details
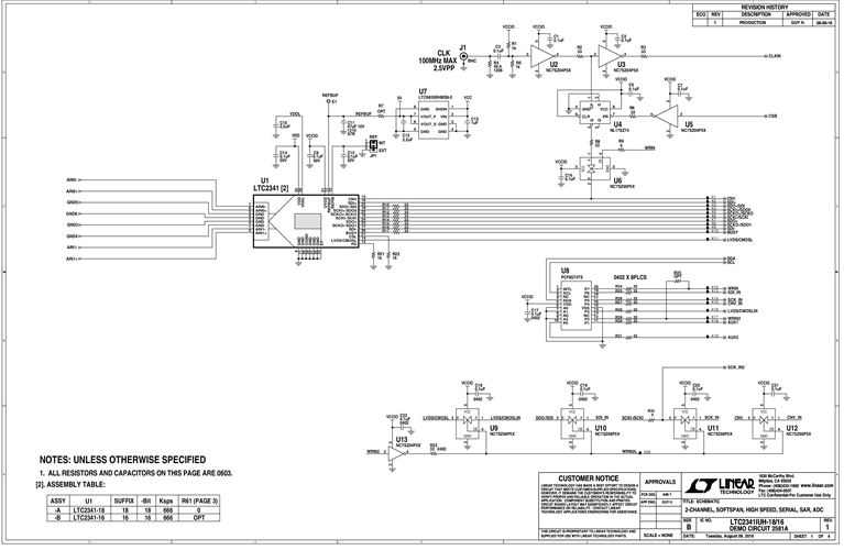
Demonstration circuit 2581A shows the proper way to drive the LTC2341 ADC. The LTC2341 is a low noise, high speed, simultaneous sampling 16-/18-bit successive approximation register (SAR) ADC. The LTC2341 has a flexible SoftSpan™ interface that allows conversion-by-conversion control of the input voltage span on a per-channel basis. An internal 2.048V reference and 2× buffer simplify basic operation while an external reference can be used to increase the input range and the SNR of the ADC.
Applicable Parts
Documentation & Resources
- 
                                                                
                                                                    
                                                                                                                                            DC2581A - Schematic12/12/2016PDF122K
 
- 
                                                                
                                                                    
                                                                                                                                            DC2581A - Demo Manual12/12/2016PDF478K
 
- 
                                                                
                                                                    
                                                                                                                                            DC2581A - Design Files12/12/2016ZIP2M
 
                                                