Overview
Product Details
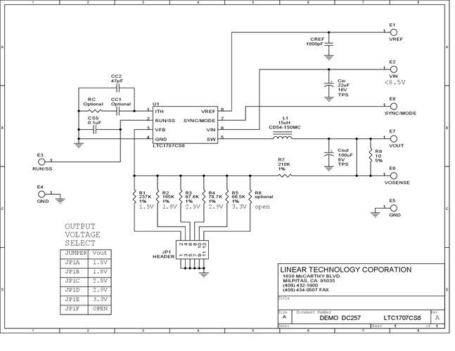
DC257A: Demo Board for the LTC1707 High Efficiency Monolithic Synchronous Step-Down Switching Regulator.
Applicable Parts
Documentation & Resources
-
DC257A - Schematic9/24/2009PDF55K
-
DC257A - Demo Manual9/24/2009PDF218K
-
DC257A - Design File9/24/2009ZIP276K
