Overview
Product Details
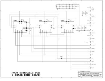
DC256A: Demo Board for the LTC1629 PolyPhase, High Efficiency, Synchronous Step-Down Switching Regulator.
Applicable Parts
Documentation & Resources
-
DC256A - Schematic9/24/2009PDF336K
-
DC256A - Design File9/24/2009ZIP1M
