Overview
Product Details
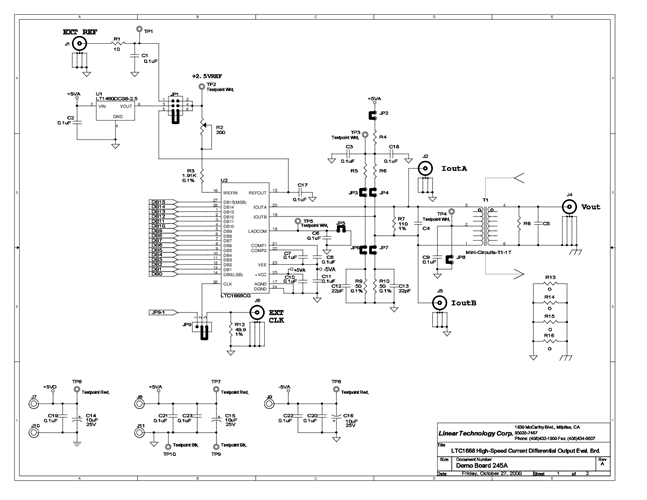
DC245A-A: Demo Board for the LTC1668 16-Bit, 50Msps DAC.
Applicable Parts
Documentation & Resources
-
DC245A - Schematic9/24/2009PDF238K
-
DC245A - Demo Manual9/24/2009PDF51K
-
DC245A - Design File9/24/2009ZIP2M




