Overview
Product Details
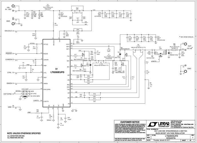
Demonstration circuit DC2457A is a 12V, 4A, 4-switch synchronous buck-boost regulator featuring low EMI noise and small footprint. It runs at 400kHz switching frequency. Spread spectrum frequency modulation (SSFM) can be turned on with a simple jumper, reducing EMI. DC2457A also comes with other low EMI features including optimized layout, input and output filters. It passes CISPR 25 class 5 conducted and radiated EMI.
Applicable Parts
Documentation & Resources
-
DC2457A - Schematic1/20/2017PDF42K
-
DC2457A - Demo Manual1/20/2017PDF785K
-
DC2457A - Design Files1/20/2017ZIP1M