Overview
Product Details
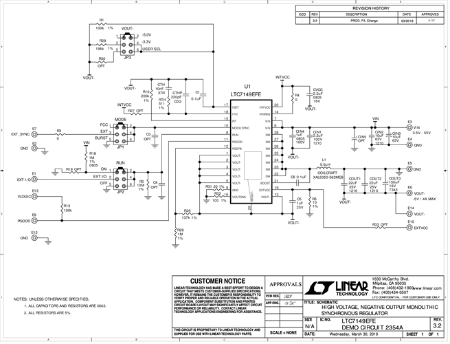
Demonstration circuit 2354A is a high input voltage, high efficiency synchronous monolithic step-down converter with a negative output voltage featuring the LTC7149. DC2354A has a wide input voltage range from 3.5V up to 55V. The output voltage of the DC2354A can be set to –3.3V or –5V, and the “User Select” option allows the output voltage to be set from 0V to –60V; however the voltage difference between the output voltage (–VOUT) and maximum input voltage (VIN), should not exceed 60V. |–VOUT| + VIN < 60V. DC2354A is capable of delivering up to 4A of output current, nevertheless at lower input voltages, the load current should be reduced in accordance with the derating curves. DC2354A supports three operation modes: fixed-frequency modulation, Burst Mode™ operation and synchronization to an external clock. Fixed-frequency mode maximizes the output current, reduces output voltage ripple, and yields a low noise switching spectrum. Burst Mode operation employs a variable frequency switching algorithm that minimizes the no-load input quiescent current and improves efficiency at light loads.
Applicable Parts
Documentation & Resources
-
DC2354A - Schematic4/6/2016PDF36K
-
DC2354A - Demo Manual4/6/2016PDF501K
-
DC2354A - Design Files4/21/2016ZIP3M




