Overview
Product Details
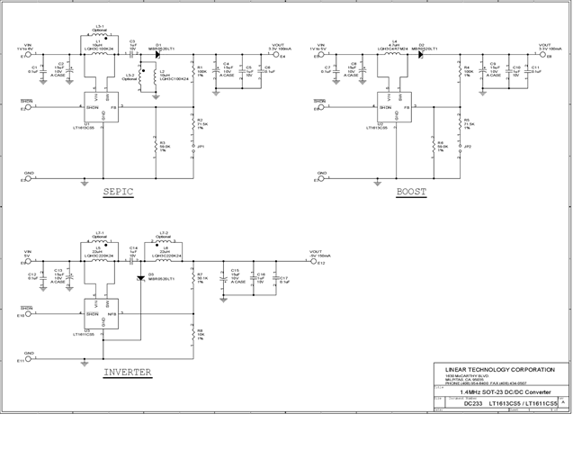
The LT1611 and LT1613 are 5-lead SOT-23, current mode DC/DC converters. Intended for small, low power applications, both operate from inputs as low as 1V and switch at 1.4MHz, allowing the use of tiny, low cost capacitors and inductors. DC233 contains three switching regulator circuits. Two of these demonstrate the use of the LT1613CS5 in a simple boost regulator circuit and in an uncoupled SEPIC circuit. Both circuits produce 3.3V or 5V (jumper selected). The boost circuit produces 200mA in a typical application and occupies less than 0.2 square inches of circuit board area. The SEPIC circuit allows operation from input voltages either higher or lower than the output, making this circuit suitable for single Li-Ion cell to 3.3V conversion or four alkaline cells to 5V conversion. Typical output current for the SEPIC circuit is 120mA. The third circuit demonstrates the LT1611CS5 in a low noise inverting circuit. This circuit can convert 5V to –5V at 160mA.
Applicable Parts
Documentation & Resources
- 
                                                                
                                                                    
                                                                                                                                            DC233A - Schematic9/24/2009PDF60K
 
- 
                                                                
                                                                    
                                                                                                                                            DC233A - Demo Manual9/24/2009PDF280K
 
- 
                                                                
                                                                    
                                                                                                                                            DC233A - Design File9/24/2009ZIP73K
 
                                                