Overview
Product Details
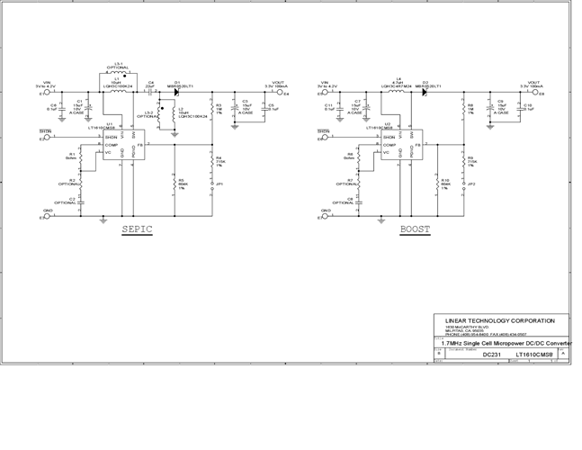
DC231A: Demo Board for the LT1610 1.7MHz, Single Cell Micropower DC/DC Converter.
Applicable Parts
Documentation & Resources
-
DC231A - Schematic9/24/2009PDF56K
-
DC231A - Design File9/24/2009ZIP175K
