Overview
Product Details
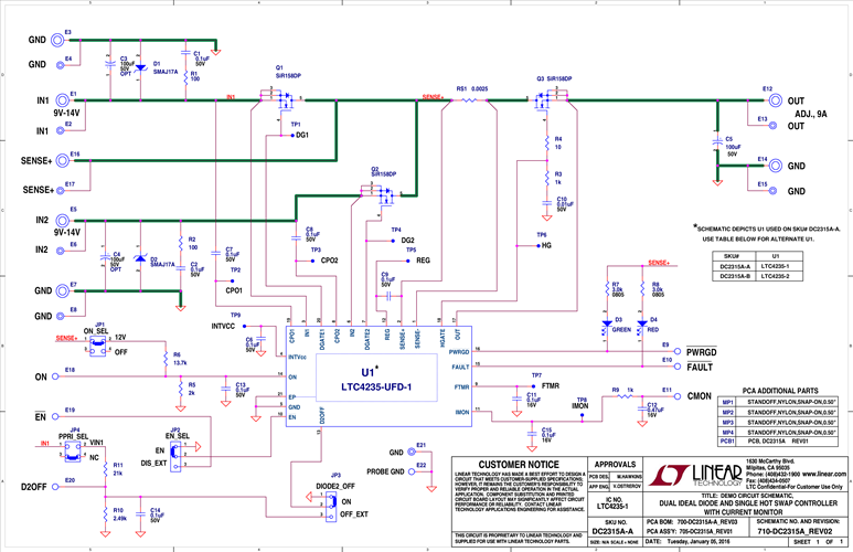
Demonstration circuit 2315A is intended to demonstrate the performance of the LTC4235-1/LTC4235-2 Dual 12V Ideal Diode-OR and Single Hot Swap™ Controller with Current Monitor. The controller operates in redundant 12V supply circuits, where each rail has an individual ideal diode, and the outputs are connected to the load through a single Hot Swap circuit. The controller enables monitoring of the load current by providing a signal that is 100× the sense resistor voltage.
Applicable Parts
Documentation & Resources
-
Hot Swap Controllers8/2/2023PDF0 M
-
DC2315A - Schematic1/12/2016PDF54K
-
DC2315A - Demo Manual1/12/2016PDF249K
-
DC2315A - Design Files4/21/2016ZIP1M
