Overview

Product Details

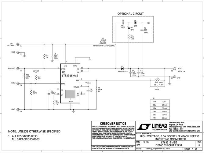
Demonstration circuit DC2275A features the LT8331 in a boost configuration. The demo circuit demonstrates small size and low component count. The boost is designed to convert a 10V to 48V source to 120V at 25mA to 80mA.

Applicable Parts

Documentation & Resources