Overview
Product Details
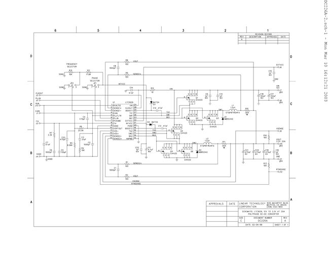
DC226A: Demo Board for the LTC1629 PolyPhase, High Efficiency, Synchronous Step-Down Switching Regulator.
Applicable Parts
Documentation & Resources
-
DC226A - Schematic9/24/2009PDF88K
-
DC226A - Demo Manual9/24/2009PDF105K
-
DC226A - Design File9/24/2009ZIP849K
