Overview
Product Details
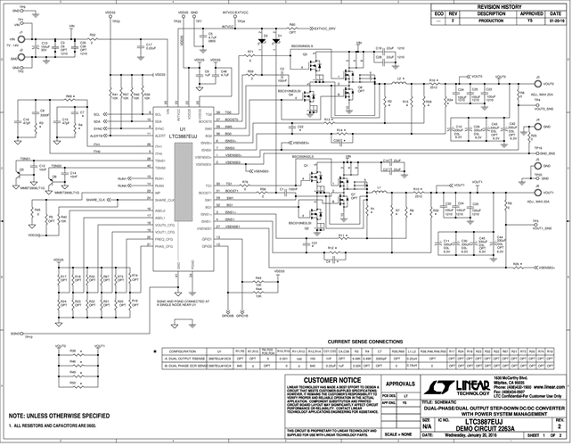
Demonstration circuit 2263A is a high current, high efficiency, dual output/polyphase synchronous buck converter featuring the LTC3887EUJ, a dual-phase current mode controller. The LTC3887 has the PMBus interface and the power system management functions. The DC2263A uses discrete MOSFETs in the power stage. The input range of this board is from 7V to 14V. The output voltage can be programmed from 0.8V to 1.8V (1.0V default) with an output current up to 25A per phase. The DC2263A has two versions: The DC2263A-A uses a sense resistor and provides two outputs while the DC2263A-B uses DCR current sensing and provides a dual-phase single output.
Applicable Parts
Documentation & Resources
-
DC2263A - Schematic2/19/2016PDF78K
-
DC2263A - Demo Manual2/3/2016PDF1M
-
DC2263A - Design Files2/19/2016ZIP1M
